TJ-BN-090SS-28B-32B-250N替换三木SFF-090SS
TJ-BN-090SS-28B-32B-250N替换三木SFF-090SS
产品价格:¥560(人民币)
  • 规格:TJ-BN-090SS-28B-32B-250N
  • 发货地:天津
  • 品牌:
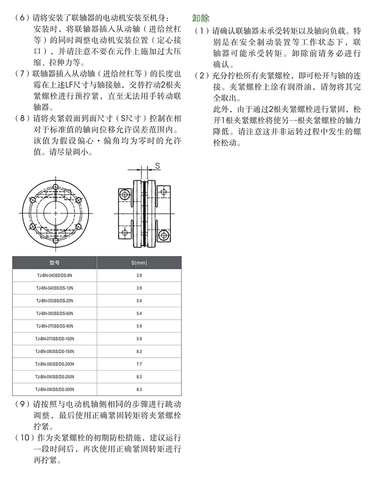
  • 最小起订量:1套
  • 诚信商家
    会员级别:钻石会员
    认证类型:企业认证
    企业证件:通过认证

    商铺名称:腾骥(天津)精密机械有限公司

    联系人:杨彦伟(先生)

    联系手机:

    固定电话:

    企业邮箱:1135953545@qq.com

    联系地址:天津市北辰区大张庄镇下殷庄支路与津围公路交口

    邮编:

    联系我时,请说是在百强农机网上看到的,谢谢!

    商品详情

      腾骥(天津)精密机械有限公司出售日本椿本链条,椿本涨紧套,椿本链条联轴器,三木离合器,三木联轴器,三木免键轴套,三木皮带轮,三木过载保护器,三木ROSTA拉紧器,日本电产伺服SERVO,仟岱CHAIN TAIL电磁离合器,三木工业传动带,日本三之星工业传动带,美国盖茨GATES皮带,美国HELICAL联轴器,米思米联轴器,昭穆联轴器、艾塞路联轴器、斗利联轴器、NBK联轴器、KTR联轴器、R+W联轴器、成一机工联轴器、N型联轴器、挠性万向节,怡合达联轴器、伺服刀塔,动力刀塔、日本旭有机材阀门,日本SINFONIA电磁离合器,日本特殊电装TOKUSHU DENSO电机,,日本电产伺服NIDEC SERVO小型直流电机,电产伺服步进电机,电位器,电产减速箱齿轮箱,韩国WOOJIN SERVO电机,调速电机,交流电机,调速刹车电机,定速附刹车电机、西捷克缓冲器、怡合达轴承座、怡合达导向轴支座、固定环等

      TJ-BN-090SS-28B-32B-250N、SFF-090SS-28B-32B、LK24-CC90-2832


    0571-87774297