商铺名称:杜安环保设备(江苏)有限公司
联系人:李男(先生)
联系手机:
固定电话:
企业邮箱:63582753@qq.com
联系地址:六合区雄州工业园区腾飞路
邮编:211500
联系我时,请说是在百强农机网上看到的,谢谢!
混合液回流泵QJB-W7.5 Q:1200立方 H:1米
潜水污泥回流泵
电机功率7.5KW
材质304不锈钢
使用电压380V
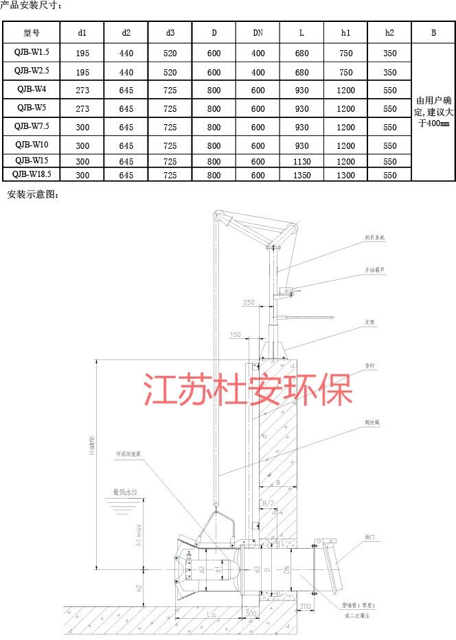
配导杆100*100*5mm 穿墙管 拍门的提升装置安装使用
用途说明:
杜安环保QJB-W7.5污泥回流泵为两级污水处理厂混合液回流、反硝化脱氮的专用设备。亦可用于地面排水、灌溉和废水处理过程中再循环等需要微扬程、大流量的场所。
产品特点:
结构紧凑、安装方便、操作简单、易于维修、无噪音,可以随便装置。
适用范围:
潜水回流泵在下列条件下能正常连续运行
海拔不超过1000m;
较高介质温度不超过40OC;
介质的PH值在5-9之间;
液体密度不超过1150kg/m3;
长期潜水运行,潜水深度一般不超过20m;
构造及工作原理:
潜水回流泵由叶轮、潜水电机、导流罩、穿墙管、拍门、安装提升导杆、起吊钢绳、水下电缆、起吊架和手摇升降装置、角度转向装置、就地控制柜等组成。
潜水回流泵转动平衡自如,无卡死、停滞、振动等现象;
潜水回流泵作密封气压实验,实验压力为0.3MPa,历时5分钟无泄漏现象;
潜水回流泵采用双机械密封结构和唇形密封组成动密封系统,机械密封保证在25000小时内可靠运行而不需更换;
潜水回流泵在全浸没和潜水电机露出液面的条件下能连续工作,同时能保证在间隙运行和长期停止运行的情况下,一经开机仍能正常运行。
潜水回流泵引出电缆采用GB5013.2中YZW型橡套软电缆或性能相同的其它电缆,单台标准配置长度10m,电缆密封头采用特殊化处理,以防电缆外皮破损,渗水至电机;
潜水回流泵其表面光亮,无污损、碰伤、裂痕等现象;
潜水回流泵的油室内有足够的空间来容纳因温差引起的膨胀,并设有密封泄漏保护装置;
潜水回流泵引出电缆中双色线(黄/绿)规定为接地线,联接可靠。接地标志明显,在使用期内不易磨灭;
潜水回流泵叶轮及转子采用动平衡试验,平衡精度为G6.3;
潜水回流泵定子绕组内及上下轴承位置设有热保护开关,定子腔内设有密封泄漏保护装置。
潜水回流泵的安装导杆能保证设备自由转动、升降、调节各种角度,提升和安装搅拌机也不必要把池子放空。
使用寿命:潜水回流泵在规定的条件下,初次故障前平均运行时间不小于10000小时,
整机使用寿命不小于20年。

主要技术参数
|
型 号 技术参数 |
QJB-W7.5 |
|
流 量 m3/h |
1200 |
|
扬 程 h |
1.0 |
|
功 率 kw |
2.5 |
|
叶轮直径 mm |
620 |
|
叶轮转速 r/min |
480 |
|
水 推 力 N |
2300 |
|
电机防护等级 |
IP68 |
|
电机绝缘等级 |
F |
|
穿墙管距池顶距离 m |
5.6 |
|
电 源 |
380V , 3ph , 50Hz |
|
数 量 套 |
3 |
杜安环保设备(江苏)有限公司污泥回流泵配套控制箱安全操作:
一、设备操作分“就地”和“自动”两种形式。
1)自动控制。检查电源并确保通电后,将控制柜面板上的选择开关拨至“自动”位置,此时,潜污泵即由中控室进行控制,不需现场人员做任何操作。
2)就地控制。
a)检查电源,确保通电。
b)将控制柜面板上的“就地/停/自动”选择开关拨至“就地”位置。
c)按下“启动”按钮,设备运行。
d)按下“停止”按钮,设备停止运行。
e)发生故障后及时检修,待故障排除后重新通电复位运转。
二、严禁污泥泵干运行,运转时联轴器应轻重均匀,无卡住和摩擦声。
三、严禁频繁启动污泥泵,备用泵应每周至少运转一次。
四、每次维修(尤其重新接线)后,正式开车前,一定要确认电动机的转向与泵规定方向一致。
五、每班检查泥泵是否有异常的噪音或震动。
