商铺名称:四川华芯高工电子有限公司
联系人:邹(先生)
联系手机:
固定电话:
企业邮箱:hxggdz@sina.com
联系地址:四川 成都市 青羊区 西大街84号1-1幢15层1506号
邮编:
联系我时,请说是在百强农机网上看到的,谢谢!
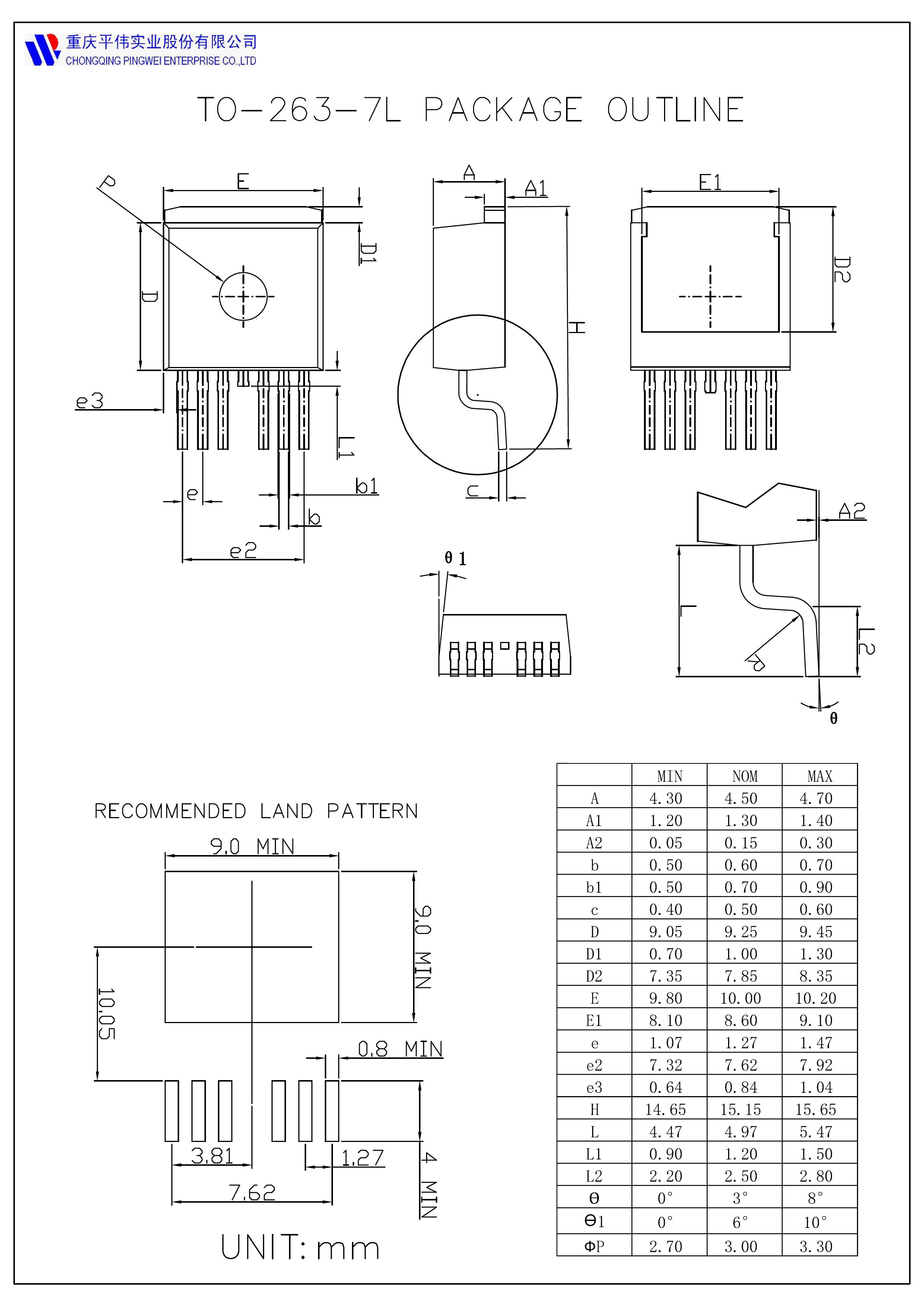
"页面标价非成交价,请联系详询报价” PY/重庆平伟实业 全新原厂原装高频中低压功率控制开关管N型沟道多路输出场效应管,80V,160A,2.1mΩ,N-Channel,中低压MOSFET:PW028N08BS7;电压Vds:80V;电流Id:160A;内阻Rds(on):2.1mΩ;封装方式:TO-263-7L;最小包装数量:800pcs/盘-编带。
本品采用内置大尺寸芯片,7脚贴片式封装,支持多路输出5脚源极,具有适应中低电压低内阻损耗高频高效恢复等电气特性特点。通用于电源、小家电、锂电池、马达电机、电动工具、无人机、电器、适配器、充电器、逆变器、充电桩、特种电源、高频电源、风光储新能源、医疗设备、工业工控等产品电路作电子开关、控制、整流、放大、钳位、防反接、防逆回流等作用。PY平伟大芯片中低电压大电流低内阻低漏电的分立式功率整流晶体开关管PW028N08BS7。









