商铺名称:台湾恒望精密机械
联系人:周经理(先生)
联系手机:
固定电话:
企业邮箱:ichiseikizy@163.com
联系地址:江苏省昆山市周商路1号
邮编:215300
联系我时,请说是在百强农机网上看到的,谢谢!
|
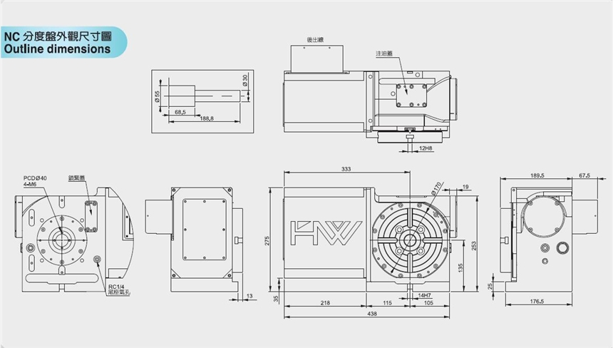
型号 |
单位 |
数值 |
|
|
盘面尺寸 |
mm |
?170 |
|
|
中心高度(立式置放) |
mm |
135 |
|
|
主轴贯穿孔 |
mm |
30 |
|
|
卧式置放盘面高 |
mm |
188.8 |
|
|
盘面孔径 |
mm |
? 55H7 |
|
|
盘面T型槽 |
mm |
12H8 |
|
|
底部定位健 |
mm |
14H7 |
|
|
转速 |
rpm |
66 |
|
|
最小设定单位 |
° |
0.001 |
|
|
载重 |
立式置放 |
kgs |
75 |
|
卧式置放 |
kgs |
150 |
|
|
尾座支撑 |
-- |
150 |
|
|
电机传动对照 |
发那克Fanuc |
-- |
α4i/β8i |
|
三菱Mitsubishi |
-- |
HF104T(S) |
|
|
西门子Siemens |
-- |
1FK7060 |
|
|
海德汉Heidenhain |
-- |
QSY-116C |
|
|
安川Yaskawa |
-- |
SGMGV-09A |
|
|
减速比 |
-- |
60 |
|
|
锁紧系统 |
-- |
气压 |
|
|
施加压力 |
kg/cm2 |
5 |
|
|
锁紧扭矩 |
kgf.m |
25 |
|
|
切削力负荷 |
轴向切削,含刹车锁紧 |
kg |
75 |
|
径向切削,含刹车锁紧 |
kg-m |
25 |
|
|
侧向切削,含刹车锁紧 |
kg-m |
50 |
|
|
蜗轮扭矩 |
kgf.m |
27 |
|
|
定位精度 |
sec |
4 |
|
|
累计精度 |
sec |
20 |
|
|
净重,不含马达 |
kg |
65 |
|




