防腐化工磁力泵与普通泵的区别,创升告诉您
防腐化工磁力泵与普通泵的区别,创升告诉您
产品价格:¥1(人民币)
  • 规格:CX
  • 发货地:东莞
  • 品牌:
  • 最小起订量:1台
  • 免费会员
    会员级别:试用会员
    认证类型:企业认证
    企业证件:通过认证

    商铺名称:东莞市创升机械设备有限公司

    联系人:成小姐(小姐)

    联系手机:

    固定电话:

    企业邮箱:2851011376@qq.com

    联系地址:东莞市大岭山镇大塘工业区

    邮编:523082

    联系我时,请说是在百强农机网上看到的,谢谢!

    商品详情
      如今工业当中,广泛用到防腐化工磁力泵,那么就有很多用户会好奇,防腐化工磁力泵与普通泵的区别在哪里呢?今天就这个问题与大家一同讨论下!
      和一般泵相比较,防腐化工磁力泵具有全封闭、无泄漏的长处,同时也缩短了操作人员与有毒、有害、易燃、易爆介质的触摸时间。工作平稳可靠、振动小、噪声低,使用寿命长,一般在三年内免于修理。节约修理费用,下降修理人员的作业强度,削减停机而带来的经济丢失。当然,对于使用金属隔离套的磁力泵,因为磁涡流丢失的存在,泵的效率相对一般泵要低1%~7%。而且价格也偏高于一般泵。拆机、修理、保养需要技术人员来操作。

      防腐化工磁力泵装置方位低于液面,发动前应翻开吸人管路的闸阀,使液体充溢泵内。假如泵的装置方位髙于液面,发动前要灌泵或抽真空,排净泵内的空气,使泵和吸人管液体充溢,因为防腐化工循环磁力泵的轴承润滑是靠输送的液体来完成的,因此禁止空工作。封闭出口管路闸阀,发动时,先点动电机,数秒后即封闭,以检查和断定电动机的滚动方向是否与茱体上标明的箭头方向共同。严禁反转,判明滚动方向正确后,再发动。防腐化工循环磁力泵发动后,缓慢翻开出口管路闸阀,待泵到达正常工作状况后,再将出口闸阀调到所需工况规模。在排出管路阀门封闭的状况下,泵工作作业时间不能超过一分钟。磁力泵发动后,泵的流量、扬程没有随电动机转速的增高而上升至额定值时,应立即关机,仔细地对泵进行灌注和排气,使泵和吸人管彻底充溢后重新发动。

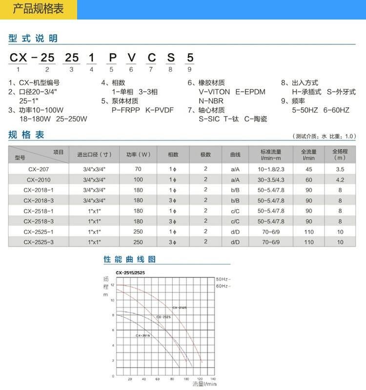
      产品规格:(50/60Hz)
      电机功率:70-250 W
      全流量:45-110 L/min
      全扬程:3.5-10 m
      主要材质:FRPP,PVDF
      适合温度:0~75℃(FRPP),0~90℃(PVDF)

      防腐化工磁力泵不宜在低于30%的规划流量下长时间工作,应在出口管路上装置旁通管,将剩余流量接人泵的进口管路,使泵的流量到达规定使用规模。经常检査泵与电动机地脚螺栓的松动状况,泵体温度与人口温度是否共同,出口压力表的动摇状况和泵的振动状况。
      东莞创升机械一直坚持以质量求生存、品质求发展,不断开拓创新化工泵的发展领域。客户们的满意与成功就是度量我们工作成绩的重要标尺。创升人秉着"百折不挠、勇攀高峰"的精神,为打造"质优品牌"而不懈努力!竭诚欢迎海内外各界人士,我们将携手于您共创美好未来!
    0571-87774297