商铺名称:深圳市英达制冷机电有限公司
联系人:晏晓海(先生)
联系手机:
固定电话:
企业邮箱:xiaohai1012@163.com
联系地址:深圳市福田区八卦岭523栋8楼817室
邮编:518000
联系我时,请说是在百强农机网上看到的,谢谢!
| 产品参数 | |||
|---|---|---|---|
| 公称直径 | 0.18cm | ||
| 数量 | 1个 | ||
| 是否支持加工定制 | 是 | ||
| 是否进口 | 是 | ||
| 包装规格 | 工业包装 | ||
| 材质 | 铜 | ||
| 产地 | 中国/日本/泰国 | ||
| 功能用途 | 节流 | ||
| 适用范围 | 氟化物制冷剂 | ||
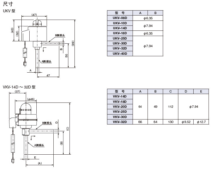
| 型号 | UKV-25D208 | ||
| 颜色 | 黑色 | ||
| 连接形式 | 焊接 | ||
| 接口尺寸 | 6.35mm | ||
| 最大工作压力 | 4.2MPA | ||
| 阀动作脉冲范围 | 0~480脉冲 | ||
| 动作压力差 | 0~3.5MPA | ||
| 作用 | 节流 | ||
| 线圈电压 | 12V DC | ||
| 线圈线长 | 可选 | ||
| 品牌 | 鹭宫 | ||
| 订货号 | UKV-18D203 | ||
| 口径 | 1.8mm | ||
.jpg)
.jpg)
.jpg)
.jpg)
.jpg)
.jpg)
.jpg)
.jpg)
.jpg)